Home Traction Lift
A premium lift system designed for residential properties, offering minimal maintenance and maximum comfort.
Smooth
Quiet
Energy-Efficient Mobility
Detailed Description
The Home Traction Lift is one of the most popular and efficient lift systems for residential use. It operates using a counterweight pulley system, which allows for smooth and quiet vertical movement while significantly reducing energy consumption.
This lift system is ideal for homes with 2 to 5 storeys, and can be installed in both new developments and retrofitted into existing structures. Using flat steel belts instead of traditional ropes, our modern traction lifts are oil-free, resulting in lower maintenance and cleaner operation.
It complies with the BCA-approved SS550-2021 and EN81-41 standards, ensuring both safety and quality performance. The cabin and doors can be customised in finishes that complement the interior design of your home.
Key Features
No need for a machine room
Smooth and silent ride quality
Low power consumption and energy-efficient
Oil-free system = cleaner & lower maintenance
Sleek design options for cabin & doors
Compliant with SS550-2021 and EN81-41 standards
Customisable finishes and configurations
Ideal for 2–5 storey homes or apartments
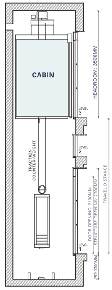
Technical Specifications
Directive
SS550
Load Capacity
min. 340kg – max. 610kg
Maximum Travel
NA
Stops
NA
Speed
0.5 m/s – 1 m/s
Power Supply
230v, Single-phase, 50hZ – 380v 3-phase / 50hz
Pit
from 1200mm – 1500mm
Headroom
from 3500mm – 4200mm
Entrances
1, 2, 3
Landing Doors
Automatic side-/ centre-opening
Cabin Doors
Automatic side-/ centre-opening
Door Opening
650mm – 1000mm
Control
Automatic push buttons
Our
Frequently Asked Questions
1. What types of lifts do you supply and install?
At Lift Works, we specialize in providing and installing a wide range of lifts for residential, commercial, and industrial applications. Our products include:
Home lifts (Traction, Hydraulic)
Cargo lifts
Dumbwaiters
Material hoists
With over 40 years of experience, we have developed expertise in offering tailored lift solutions for various needs.
2. Do all lifts operate on the same mechanism?
No, different lifts use different systems, depending on the needs of the space and installation requirements. The two most common systems are:
Gearless Traction System: Known for its energy efficiency, smoothness, and faster ride, this system is ideal for new constructions with adequate space for installation.
Hydraulic System: A more flexible option, suitable for retrofit projects with smaller space requirements. While it offers a slower ride, it’s a cost-effective solution for homes and commercial buildings.
3. How do I decide which lift is best for my home, office, or building?
4. What's the difference between cargo lifts and material hoists?
The main difference is the cargo lift is designed to carry both goods and passengers, while a material hoist is strictly for transporting goods only.
5. Do you offer lift maintenance and servicing?
6. Do you offer lift modernization services?
Yes, we offer modernization services for existing lifts to meet the latest BCA regulations and improve their performance. Reach out to us at sales@liftworks.co
for further discussion.
1. Is my landed home suitable for a lift installation?
Yes, most landed homes can accommodate a lift. Even if your home is already built, we can often retrofit a lift. For new constructions or Addition & Alteration (A&A) projects, it’s best to plan for a lift from the start to have full flexibility with lift system choices.
Contact us at projects@liftworks.co to discuss your options or schedule a consultation.
2. What is the maximum load capacity of a home lift?
The capacity depends on the available space. The standard home lift car is typically 900 x 1200mm and can carry up to 400kg — enough to accommodate a wheelchair and an additional person.
3. How much does it cost to install a home lift?
The cost varies depending on several factors such as the lift system chosen, structural requirements, and finishes. Generally, a basic model may cost less than purchasing a car in Singapore.
4. How long does it take to install a home lift?
From confirmation, the fabrication and shipment process usually takes 2-4 months, with installation taking approximately 1 month.
5. How long will my home lift last?
A well-maintained lift can last between 15-20 years, depending on usage and maintenance.
1. What is a dumbwaiter and how does it work?
A dumbwaiter is a small elevator used for transporting goods, typically between floors. It can carry 50-300 kg loads and operates using a traction lift system with pulleys and counterweights.
2. What is the weight limit for a dumbwaiter?
Dumbwaiters can handle loads from 50 kg to 300 kg, depending on the model. For larger items, a 1.2m x 1.2m dumbwaiter can transport up to 300 kg.
3. Why should I install a dumbwaiter in my commercial building?
Dumbwaiters help transport goods efficiently between floors, reducing manual labor and improving safety. They’re ideal for restaurants, hospitals, schools, and businesses with multiple floors.
4. Can a dumbwaiter be installed in a landed home?
Yes, a dumbwaiter is useful for moving heavy items between levels, whether it’s for home or commercial use.
5. Does a dumbwaiter require government approval for installation?
Yes, a dumbwaiter needs approval from the Building and Construction Authority (BCA). We handle the approval process for you, ensuring a smooth installation.
6. How long does it take to install a dumbwaiter?
From confirmation, fabrication and shipment can take 1-2 months, and installation typically takes around 3 weeks.